A raktár énekeletlen hőse: mély merülés a targonca csapágytechnológiájában ...
OLVASS TOVÁBB
Raktári kód: 920002
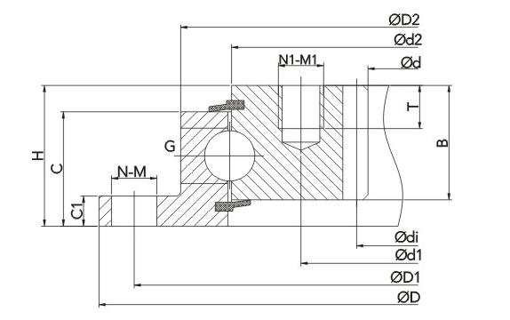
Beszerelési tippek forgócsapágyak számára:
| csapágy sz. | Méret (mm) | Súly (kg) | Ref. Nem. | |||||||||||||||||
| d | d1 | d2 | D | D1 | D2 | H | C | C1 | B | N-M | N1-M1 | T | di | m | z | k.m | G | |||
| WDL-013-0311-01 | 225 | 275 | 312.5 | 418 | 390 | 353 | 56 | 44 | 12 | 44 | 8-Φ18 | 12-M12 | 20 | 235 | 5 | 47 | 0 | 4-M8*1 | 21 | 92-20 031171-07202 |
| WDL-013-0311-02 | 225 | 275 | 311 h8 | 417 h8 | 390 | 353 | 56 | 44 | 12 | 44 | 8-Φ18 | 12-M12 | 20 | 235 | 5 | 47 | 0 | 4-M8*1 | 21 | 92-20 0311/1-07203 |
| WDL-013-0411-01 | 325 | 375 | 409.5 | 518 | 490 | 454 | 56 | 46 | 12 | 46 | 8-Φ18 | 12-M12 | 20 | 335 | 5 | 67 | 0 | 4-M8*1 | 31 | 22-0411-01 |
| WDL-013-0411-02 | 325 | 375 | 412.5 | 518 | 490 | 453 | 44 | 12 | 44 | 8-Φ18 | 12-M12 | 20 | 335 | 5 | 67 | 0 | 4-M8*1 | 28 | 92-20 0411/1-07212 | |
| WDL-013-0411-03 | 325 | 375 | 411 h8 | 517 h8 | 490 | 453 | 56 | 44 | 12 | 44 | 8-Φ18 | 12-M12 | 20 | 335 | 5 | 67 | 0 | 4-M8*1 | 28 | 92-20 0411/1-07213 |
| WDL-013-0414-01 | 326.5 | 375 | 412.5 | 518 | 490 | 453 | 56 | 46 | 12 | 46 | 8-Φ18 | 12-M12 | 20 | 335 | 5 | 67 | 0.75 | 4-M8*1 | 27 | ÁBRA 505 20 00 CC LM |
| WDL-013-0541-01 | 445 | 505 | 539.5 | 648 | 620 | 584 | 56 | 46 | 12 | 46 | 10-Φ18 | 16-M12 | 20 | 456 | 6 | 76 | 0.5 | 4-M8*1 | 41 | 22-0541-01 |
| WDL-013-0541-02 | 444 | 505 | 542.5 | 648 | 620 | 583 | 56 | 44 | 12 | 44 | 10-Φ18 | 16-M12 | 20 | 456 | 6 | 76 | 0 | 4-M8*1 | 39 | 92-20 0541/1-07222 |
| WDL-013-0541-03 | 444 | 505 | 541 h8 | 647 óra 8 | 620 | 583 | 56 | 44 | 12 | 44 | 10-Φ18 | 16-M12 | 20 | 456 | 6 | 76 | 0 | 4-M8*1 | 39 | 92-20 0541/1-07223 |
| WDL-013-0544-01 | 445.2 | 505 | 542.5 | 648 | 620 | 583 | 56 | 46 | 12 | 46 | 10-Φ18 | 16-M12 | 20 | 456 | 6 | 76 | 0.6 | 4-M8*1 | 37.5 | 650 20 00 CC LM ábra |
| WDL-013-0641-01 | 546 | 605 | 639 | 748 | 720 | 684 | 56 | 46 | 12 | 46 | 12-Φ18 | 18-M12 | 20 | 558 | 6 | 93 | 0 | 4-M8*1 | 49 | 22-0641-01 |
| WDL-013-0641-02 | 546 | 605 | 642.5 | 748 | 720 | 683 | 56 | 44 | 12 | 44 | 12-Φ18 | 18-M12 | 20 | 558 | 6 | 93 | 0 | 4-M8*1 | 46 | 92-20 0641/1-07232 |
| WDL-013-0641-03 | 546 | 605 | 641 óra 6 | 747 óra 8 | 720 | 683 | 56 | 44 | 12 | 44 | 12-Φ18 | 18-M12 | 20 | 558 | 6 | 93 | 0 | 4-M8*1 | 46 | 92-20 0641/1-07233 |
| WDL-013-0644-01 | 5472 | 605 | 642.5 | 748 | 720 | 683 | 56 | 46 | 12 | 46 | 12-Φ18 | 18-M12 | 20 | 558 | 6 | 93 | 0.6 | 4-M8*1 | 44.5 | 750 20 00 CC LM ábra |
| WDL-013-0741-01 | 649 | 705 | 739.6 | 848 | 820 | 784 | 56 | 46 | 12 | 46 | 12-418 | 20-M12 | 20 | 660 | 6 | 110 | 0.5 | 4-M8*1 | 56 | 22-0741-01 |
| WDL-013-0741-02 | 648 | 705 | 742.5 | 848 | 820 | 783 | 56 | 44 | 12 | 44 | 12-018 | 20-M12 | 20 | 660 | 6 | 110 | 0 | 4-M8*1 | 52 | 92-20 0741/1-07242 |
| WDL-013-0741-03 | 648 | 705 | 741 h8 | 847 óra 8 | 820 | 783 | 56 | 44 | 12 | 44 | 12-Φ18 | 20-M12 | 20 | 660 | 6 | 110 | 0 | 4-M8*1 | 52 | 92-20 0741/1-07243 |
| WDL-013-0744-01 | 6492 | 705 | 742.5 | 848 | 820 | 783 | 56 | 46 | 12 | 46 | 12-Φ18 | 20-M12 | 20 | 660 | 6 | 110 | 0.6 | 4-M8*1 | 51 | 850 20 00 CC LM ábra |
| WDL-013-0841-01 | 736 | 805 | 840 | 948 | 920 | 884 | 56 | 46 | 12 | 46 | 14-Φ18 | 20-M12 | 20 | 752 | 8 | 94 | 0 | 4-M8*1 | 67 | 22-0841-01 |
| WDL-013-0841-02 | 736 | 805 | 842.5 | 948 | 920 | 883 | 56 | 44 | 12 | 44 | 14-Φ18 | 20-M12 | 20 | 752 | 8 | 94 | 0 | 4-M8*1 | 63 | 92-20 0841/1-07252 |
| WDL-013-0841-03 | 736 | 805 | 841 h8 | 947 óra 8 | 920 | 883 | 56 | 44 | 12 | 44 | 14-Φ18 | 20-M12 | 20 | 752 | 8 | 94 | 0 | 4-M8*1 | 63 | 92-20 0841/1-07253 |
| WDL-013-0844-01 | 737.6 | 805 | 842.5 | 948 | 920 | 883 | 56 | 46 | 12 | 46 | 14-Φ18 | 20-M12 | 20 | 752 | 8 | 94 | 0.8 | 4-M8*1 | 61 | ÁBRA 950 20 00 CC LM |
| WDL-013-0941-01 | 840 | 905 | 939 | 1048 | 1020 | 984 | 56 | 46 | 12 | 46 | 16-Φ18 | 22-M12 | 20 | 856 | 8 | 107 | 0 | 4-M8*1 | 72 | 22-0941-01 |
| WDL-013-0941-02 | 840 | 905 | 942.5 | 1048 | 1020 | 983 | 56 | 44 | 12 | 44 | 16-Φ18 | 22-M12 | 20 | 856 | 8 | 107 | 0 | 4-M8*1 | 69 | 92-20 0941/1-07262 |
| WDL-013-0941-03 | 840 | 905 | 941 h8 | 1047 óra 8 | 1020 | 983 | 56 | 44 | 12 | 44 | 16-Φ18 | 22-M12 | 20 | 856 | 8 | 107 | 0 | 4-M8*1 | 69 | 92-20 0941/1-07263 |
| WDL-013-0944-01 | 841.6 | 905 | 942.5 | 1048 | 1020 | 983 | 56 | 46 | 12 | 46 | 16-Φ18 | 22-M12 | 20 | 856 | 8 | 107 | 0.8 | 4-M8*1 | 65 | ÁBRA 1050 20 00 CC LM |
| WDL-013-0955-01 | 812 | 894 | 955 | 1100 | 1060 | 1017 | 90 | 71 | 21 | 71 | 30-Φ22 | 30-M20 | 40 | 830 | 10 | 83 | 1 | 6-M8*1 | 159 | 92-32 0955/1-06215 |
| WDL-013-1055-01 | 912 | 994 | 1055 | 1200 | 1160 | 1117 | 90 | 71 | 21 | 71 | 30-Φ22 | 30-M20 | 40 | 930 | 10 | 93 | 1 | 6-M8*1 | 176 | 92-32 1055/1-06225 |
| WDL-013-1091-01 | 986 | 1055 | 1089 | 1198 | 1170 | 1134 | 56 | 46 | 12 | 46 | 16-Φ18 | 24-M12 | 20 | 1000 | 8 | 125 | 1 | 4-M8*1 | 87 | 22-1091-01 |
| WDL-013-1091-02 | 984 | 1055 | 1092.5 | 1198 | 1170 | 1133 | 56 | 44 | 12 | 44 | 16-Φ18 | 24-M12 | 20 | 1000 | 8 | 125 | 0 | 4-M8*1 | 83 | 92-20 1091/1-07272 |
| WDL-013-1091-03 | 984 | 1055 | 1091 óra 8 | 1197 óra 8 | 1170 | 1133 | 56 | 44 | 12 | 44 | 16-Φ18 | 24-M12 | 20 | 1000 | 8 | 125 | 0 | 4-M8*1 | 83 | 92-20 1091/1-07273 |
| WDL-013-1095-01 | 985.6 | 1055 | 1093 | 1198 | 1170 | 1133 | 56 | 46 | 12 | 46 | 16-Φ18 | 24-M12 | 20 | 1000 | 8 | 125 | 0.8 | 4-M8*1 | 80 | ÁBRA 1200 20 00 CC LM |
| WDL-013-1155-01 | 1012 | 1094 | 1155 | 1300 | 1260 | 1217 | 90 | 71 | 21 | 71 | 36-Φ22 | 36-M20 | 40 | 1030 | 10 | 103 | 1 | 6-M8*1 | 192 | 92-32 1155/1-06235 |
| WDL-013-1255-01 | 1112 | 1194 | 1255 | 1400 | 1360 | 1317 | 90 | 71 | 21 | 71 | 42-Φ22 | 42-M20 | 40 | 1130 | 10 | 113 | 1 | 6-M8*1 | 208 | 92-32 1255/1-06245 |


A raktár énekeletlen hőse: mély merülés a targonca csapágytechnológiájában ...
OLVASS TOVÁBB
A Jiangsu Wanda Special Bearing Co., Ltd. több mint öt évtizede, 1969-es alap...
OLVASS TOVÁBB
1969-es megalakulása óta a JiangsuWandaSpecialBearingCo., Ltd. (korábban Ruga...
OLVASS TOVÁBB
A targonca oldalgörgőinek szerepének megértése Targonca oldalgörgők ...
OLVASS TOVÁBB
A görgős kerékláncok megértése Görgős kerékláncok Különféle i...
OLVASS TOVÁBB